Innovation créatrice de nouvelles compétences
Oui
Innovation génératrice de nouvelles activités
Non
Phase de développement de l'innovation
Commercialisé depuis plusieurs années

Date de création
Date de mise à jour

En bref

En raison de l'avancée rapide des standards des systèmes de sécurité automobiles, de nouveaux concepts techniques et de nouveaux capteurs doivent être mis en œuvre.



Les systèmes peuvent communiquer de manière analogique ou numérique. Pour les communications numériques, les liaisons peuvent notamment être multiplexées.



Et justement, dans les communications multiplexées, la solution de "courant porteur" est également déployée dans les véhicules. Elle permet de faire circuler l'information dans les mêmes fils électriques que l'alimentation.

Innovation créatrice de nouvelles compétences
Oui
Innovation génératrice de nouvelles activités
Non
Phase de développement de l'innovation
Commercialisé depuis plusieurs années

Date de création
Date de mise à jour

Description détaillée

Parmi les solutions de "courant porteur" utilisée dans l'automobile, le standard ouvert disponible et rencontré est basé sur le PSI pour "Peripheral Sensor Interface" ou Interface de Capteur Périphérique.

Ce standard est plus exactement nommé PSI5 et depuis janvier 2018 à la version 2.3 pour définir les modalités de communication entre le calculateur de gestion et les capteurs reliés via ce protocole dans les systèmes:

- airbag
- gestion moteur
- châssis et liaison au sol


Le Standard PSI5 a été développé par AB ELEKTRONIK, AMS, Analog Devices, Autoliv, Bosch, Continental, CS Group, Denso, ELMOS, Hella, IHR, Infineon, Melexis, NXP, ON Semiconductor, Renesas, Seskion, ST, TDK et ZF TRW.

Pour prendre un exemple, nous regarderons son utilisation dans les systèmes "airbag"
.

Par exemple, le déploiement des airbags latéraux doit être décidé, déclenché et terminé en quelques millisecondes. Les capteurs déportés aux extrémités latérales du véhicule permettent de transmettre les données des accélérations subies aux endroits même de l'impact.

Dans des applications où les capteurs sont pas sur les côtés mais sur la face avant du véhicule, ils aident à déterminer la sévérité du choc, ce qui est une des données essentielles pour le déploiement des airbags.

Le capteur est composé d'un élément de mesure et d'un circuit de traitement spécifique qui analyse la mesure et la retransmet par courant porteur. Concrètement, cela signifie que ce capteur est alimenté par 2 fils et retransmet par ces mêmes fils les données d'accélération vers le calculateur central du système d'airbag.


L'avantage d'une telle technique, outre l'économie de câblage, est qu'elle offre une grande immunité aux rayonnements électromagnétiques.

Les capteurs déportés ont des technologies variables :

-Sur une base de circuits intégrés:



-Sur une base de technologie hybride:



Ils peuvent être :
des capteurs capacitifs (presque tous):



ou

des capteurs piézorésistifs.


Ils serviront à donner des infos de:

- Pression
ou

- Accélération (la plupart)

Dans les systèmes autres que "airbag" ils peuvent par exemple donner des informations de:

- Position (angulaire ou linéaire)
- Température

Ces capteurs n'ont que 2 fils dans leur connecteur.

Pourtant ils communiquent leurs données (de pression, d'accélération, etc) sur ces 2 fils et reçoivent en même temps leur alimentation par ces fils.


Ils utilisent donc ce que l'on nomme:

Courant Porteur ou Boucle de courant.

Dans le principe, ce que l'on appelle un courant porteur est représenté par le graphique suivant:



Une tension, dans le cas présent, de 50Hz, est une source d'alimentation standard. On vient alors la superposer ou moduler avec un autre signal représentant une communication.

On obtient donc dans un même câble deux éléments distincts:


- Une source d'alimentation AC ou DC suivant le système.

- Une communication numérique (de forme variable suivant les normes).

Il existe plusieurs façons de câbler les systèmes à courants porteurs.


Dans le cas qui nous intéresse et qui est utilisé par les capteurs déportés dans les systèmes airbag, on utilise une boucle de courant autoalimentée:



Donc:

-         
2 fils: alimentation DC et modulation de la consommation du courant consommé afin de générer une trame de communication.

Voici un exemple des niveaux de tension et de courant lors d'une communication :

Au moment où il y a modulation du courant pour transmettre, on voit une légère chute de tension sur l'alimentation du capteur. Cette modulation respecte une norme.



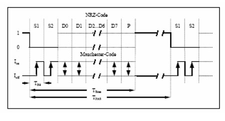
Les deux normes les plus simples sont le PAS3 et le PAS4:

- PAS3 :
2 bits de start

8 bits de données

1 bit de parité (paire)



- PAS4:
2 bits de start
10 bits de données

1 bit de parité (paire)



Sur le câble, les niveaux de courants (modulants) sont codés en Manchester:

Le 0 est un front montant en milieu de bit.
Le 1 est un front descendant en milieu de bit.




Ce que l'on appelle « parité » ?

En réalité c'est un contrôle simple de la trame :

Si c'est paire : (le cas des PAS3 et 4). Quand on compte le nombre de « 1 » de la trame, il faut trouver un nombre paire, sinon il y a une erreur.


Si impaire: Quand on compte le nombre de « 1 » de la trame, il faut en trouver un nombre impaire.

Les mesures suivantes ont été faites sur un système airbag d'une 206CC roland garros de 2003. Sur ce véhicule c'est le PAS3. Ceci prouve également que cela fait longtemps que cette technologie est déployée dans les véhicules.






 


 

Diffusion sur le marché

Il peut se rencontrer dans les applications de gestion moteur, airbag ou liaison au sol, comme solution de multiplexage faible coût entre des capteurs et un calculateur, dans toutes les gammes et segments.

Constructeurs concernés

Le comité de pilotage est géré par Autoliv, Bosch et Continental. Tous les constructeurs déploient des solutions techniques qui peuvent utiliser ce type de communication pour certains sous systèmes.

Innovation engendrant des entretiens Non
Innovation engendrant des réparations Oui
Types de réparations
  1. Diagnostic
  2. Remplacement des éléments défectueux
  3. Remise en état des faisceaux et des connectiques
  4. Paramétrage et réglages éventuel du système
Dispositif législatif en rapport avec l'innovation

Pas spécifique

Contrôle technique

La technologie des courants porteurs n'entre pas dans le champ d'application du contrôle technique.

Mots-clés

Courant porteur, boucle de courant, CPL, PLC, accéléromètre, capteurs de choc, capteurs latéraux, capteurs frontaux.


Méthodes et pratiques

- Remplacement ou réparation des faisceaux et des connecteurs défectueux: le choix entre le remplacement ou la réparation est à la discrétion du constructeur.

- Diagnostic et paramétrage éventuel du système: uniquement à l'aide des outils de diagnostics.



Les techniciens peuvent (quelque soit le sous système utilisant cette technologie):

  • Réaliser des mises à jour des données lors d'une évolution des fonctions
  • Réaliser des diagnostic-Remplacement suite à un dysfonctionnement
  • Réaliser l'apprentissage et/ou un test routier après le remplacement ou dépose/repose.





Tous les intervenants peuvent:


  • Contrôler l'état des capteurs déportés dans les systèmes airbag et leur fixation correcte.
  • Veiller à ne pas utiliser l'alimentation de ces capteurs pour alimenter d'autres éléments (en croyant avoir un 12V "classique").
Entreprises concernées aujourd'hui Carrosserie / Peinture, Spécialistes, MRA, RA2, RA1
Métiers concernés Mécanicien technicien VI-VU, Mécanicien-Technicien Auto

Impact sur les compétences en atelier

Les techniciens doivent être en mesure de:


  • connaître la structure des réseaux multiplexés
  • connaître les protocoles et leurs modes dégradés
  • maîtriser la lecture des schémas électriques.
  • maîtriser toutes les fonctions de l'outil de diagnostic
  • maîtriser toutes les fonctions de l'oscilloscope et du multimètre
  • connaître les procédures de configuration et de paramétrage.




Les non techniciens doivent être en mesure de:


  • connaître les procédures de configuration et de paramétrage.
  • avoir des notions du  fonctionnement des capteurs
  • déposer et reposer les capteurs en respectant les procédures comme la mise en sécurité dans le cadre des systèmes  "airbag".

Exemple d’outillage approprié

Outil de diagnostic
Oscilloscope
Multimètre



À lire aussi dans la même section

Nouveau

Les fusibles électroniques (E-fuse)

L'évolution des architectures électroniques dans l'automobile nécessite une finesse accrue de la protection des équipements et composants présents dans les véhicules.

Les fusibles à usage unique encore...

Systèmes embarqués Circuits électriques et électroniques Pièce

Le Protocole SENT

C’est un protocole de communication unifilaire utilisé pour transmettre des informations de capteur(s) vers un calculateur de gestion.



Utilisé principalement sur les systèmes d’injection et de...

Systèmes embarqués Circuits électriques et électroniques Système

AUTOSAR

Ces dix dernières années, l'informatique embarquée n'a cessé de se développer dans l'industrie automobile. Des programmes-cartographies-logiciels commandent un grand nombre de fonctions faisant appel...

Systèmes embarqués Circuits électriques et électroniques Règlementation

Capteur de roue bidirectionnel ou "signé"

De nombreux capteurs permettent d'assurer la gestion de l'électronique de sécurité active pour réaliser des fonctions comme l'ESP, l'antipatinage, l'aide au démarrage en côte, etc.



Un de ces capteurs...

Systèmes embarqués Circuits électriques et électroniques Pièce