Innovation créatrice de nouvelles compétences
Oui
Innovation génératrice de nouvelles activités
Oui
Phase de développement de l'innovation
Commercialisé depuis plusieurs années

Date de création
Date de mise à jour

En bref

 Souvent décrié par la presse et par les professionnels de l'automobile, le dispositif EGR est à ce jour un moyen efficace et peu couteux pour réduire à la source les oxydes d'azote. Lorsque le dispositif EGR dysfonctionne, cela se traduit pour l'utilisateur par une perte de puissance, des accoups moteur et une importante fumée noire à l'échappement s'il n'y a pas de fAP sur le véhicule.

Le dispositif EGR (Exhaust Gas Recirculation (recirculation des gaz d'échappement) a été monté sur quelques moteurs au début des années 90 (véhicules allemands, exports suisse, etc.) puis s'est généralisé sur les moteurs diesel à partir de la norme de dépollution EURO II (1/1/1996). Tout d'abord très sommaire, ces dispositifs sont à présent pilotés par la gestion électronique des moteurs diesel.

La différence entre un système EGR classique et un système basse pression n'est pas perceptible. Ce système est toujours perçu comme un système de dépollution qui consiste à réintroduire des gaz d'échappement dans le moteur.

Innovation créatrice de nouvelles compétences
Oui
Innovation génératrice de nouvelles activités
Oui
Phase de développement de l'innovation
Commercialisé depuis plusieurs années

Date de création
Date de mise à jour

Description détaillée

Dispositif monté sur les moteurs diesel. Permettant de réintroduire une partie des gaz d'échappement vers le système d'admission d'air du moteur pour limiter la production des Oxydes d'azotes (NOx).
Pourquoi un tel dispositif sur les moteur diesel ?
Pendant le processus de combustion, lorsque la température dépasse 2000°C, l'azote (N2) contenu dans l'air, se combine avec l'oxygène (O2) de l'air. Cela produit du monoxyde d'azote (NO) et du dioxyde d'azote (NO2) que l'on appelle les oxydes d'azote (NOx). Pour réduire la production des NOx pendant la combustion, il faut réduire les températures de cette même combustion. Pour cela, on introduit une quantité précise de gaz d'échappement (gaz inerte) dans le cylindre, ce qui à pour effet de diminuer la proportion d'oxygène, et de ralentir la vitesse de combustion.
Il existe plusieurs types de montage concernant les dispositifs EGR. Cela dépend des constructeurs, des moteurs, et des normes de pollution.
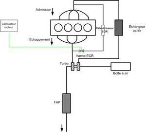
Le dispositif EGR, principe de fonctionnement :
Pour que les gaz d'échappement (en rouge) puissent être admis à l'admission (en bleu), il faut que la vanne EGR s'ouvre. Pour cela, l'électrovanne EGR, précisément pilotée (RCO) par le calculateur, applique une dépression sur la vanne EGR qui s'ouvre pour doser la quantité de gaz d'échappement admis. Au même moment, le débitmètre d'air massique indique au calculateur la masse d'air admise (moins l'EGR) dans le moteur. Ainsi le calculateur connait précisément la masse de gaz d'échappement introduit dans le moteur, et peut moduler et affiner cette masse en agissant de nouveau sur l'électrovanne EGR.



Nota : Sur les moteurs diesel récents, les constructeurs utilise des vannes EGR électromécanique. C'est-à-dire que l'électrovanne EGR et la vanne EGR ne forme plus qu'un seul élément. Cela permet de réduire les coûts, tout en améliorant la précision de fonctionnement du dispositif.
La régulation de l'EGR en boucle fermée.
Le calculateur reçoit les informations des capteurs, et détermine une masse d'air de consigne. Avec une commande électrique (RCO), le calculateur commande l'électrovanne de recyclage des gaz d'échappement, ainsi la masse de gaz admis dans le moteur dépend de cette commande, et influe sur le signal du débitmètre d'air massique. Le calculateur compare la masse d'air réelle avec celle de consigne, et ajuste si besoin sa commande sur l'électrovanne.(Commande en boucle fermée)


Le recyclage doit être appliqué avec une grande précision pour ne pas perturber le fonctionnement du moteur. Trop de recyclage, entraine une augmentation des autres rejets polluant du moteur.
Moteur à faible charge (évolution des polluants pour un taux de recyclage jusqu'à 40%) 




Moteur en charge partielle (évolution des polluants pour un taux de recyclage jusqu'à 15%)


 
Les différents capteurs qui informent le calculateur sont :

  • Le capteur de régime moteur
  • Le capteur de position de pédale d'accélérateur
  • Le capteur de température de liquide de refroidissement
  • Le capteur de température d'air d'admission
  • Le capteur de pression d'admission




Les vannes EGR

Les dispositifs à commande pneumatique

  • L'électrovanne EGR :


Elle se décompose en 2 parties. La partie supérieure pour les commandes pneumatique, et une partie inférieure pour la commande électrique.
Lorsque l'électrovanne est commandée électriquement, la dépression (1) agit sur la vanne EGR (2) pour l'ouvrir. Pour fermer la vanne EGR, la commande électrique sur l'électrovanne est modifiée, permettant à la dépression (2) de s'échapper par la mise à la pression atmosphérique (3).


  • La vanne pneumatique d'EGR :


Lorsque la vanne n'est pas commandée, le ressort (2) plaque la soupape (1) sur sont siège. Les circuits d'échappement (A) et d'admission (B) ne communiquent pas.
Lorsque la dépression modulée par l'électrovanne EGR s'applique en (C), la soupape (1) se soulève, afin de permettre aux gaz d'échappement de s'introduire dans le circuit d'admission.
Plus la dépression est importante (fonction de la commande RCO sur l'électrovanne) plus la masse de gaz d'échappement recyclée augmente, et inversement. 


  



Nota : Certaines vannes peuvent être munies de contacteurs de position fixée sur la soupape (info position vanne pour le calculateur).




Les dispositifs à commande électromécanique.

  • La vanne électromécanique :


Dans ce cas l'électrovanne et la vanne EGR ne forme qu'une seule pièce. La partie pneumatique est supprimée, c'est le magnétisme de la bobine qui pilote directement la soupape. Le principe de fonctionnement est identique au montage précédent.
Par contre, un potentiomètre de position de soupape est disposée sur ces vannes. Cela permet au calculateur de connaitre avec précision la position de la vanne.
Certains constructeurs utilisent cette information seule pour boucler la commande de l'EGR.





Sur les moteurs de dernière génération, la vanne EGR électromécanique est directement implantée dans le collecteur d'admission (ensemble compacte plus efficace et moins couteux), avec en plus un papillon d'EGR. l

Vanne EGR électrique de dernière génération (aussi appelée moteur couple) :
Encore plus aujourd'hui, le dosage de l'EGR doit être de plus en plus précis et fiable dans le temps.  Pour cela les constructeurs utilisent des nouvelles vannes EGR électriques couplées à un capteur de recopie. Ce sont les vannes électriques à plusieurs enroulements/noyau.
Un premier avantage de ces EGR électriques est qu'ils peuvent être pilotés plusieurs secondes après l'arrêt moteur pour permettre une phase de nettoyage et éviter tout grippage.
De plus, contrairement à un système à simple bobinage, la vanne à plusieurs enroulements nécessite l'action du calculateur aussi bien pour l'ouverture que pour la fermeture. Cette action est réalisée par l'intermédiaire d'une commande RCO qui peut être positive ou négative. Ainsi le noyau se déplace soit dans un sens soit dans l'autre



Exemple de pilotage :


Le plus souvent, lorsqu'il y a remplacement de ce type de vanne, une adaptation à l'aide d'une valise de diagnostic est nécessaire (aprentissage des butées mini et maxi). Si celui-ci n'est pas effectué le voyant moteur s'allume.

  • Le papillon d'EGR :


Dans un moteur diesel, la pression régnant dans le collecteur d'échappement est supérieure à celle régnant dans le collecteur d'admission. C'est cette différence de pression qui permet au gaz d'échappement de circuler vers le collecteur d'admission.
Cependant, dans certaine phases de fonctionnement du moteur, cette différence de pression n'est pas suffisante pour pouvoir recycler suffisamment de gaz d'échappement.
Pour palier à cet inconvénient, un papillon EGR est partiellement fermé par le calculateur de gestion du moteur pour créer une dépression en amont de la vanne EGR et augmenter ainsi le différentiel de pression.
Les derniers papillons d'EGR motorisé sont munis d'un potentiomètre de relecture pour que le calculateur détecte à tous moment sa position. Une procédure d'adaptation lors de son remplacement peut être nécessaire à l'aide d'une valise de diagnostic.




Les refroidisseurs de gaz avant recyclage.
Pour améliorer l'effet de l'EGR, la quantité de gaz d'échappement recyclée est refroidie dans un échangeur de chaleur traversé par le liquide de refroidissement du moteur. De ce fait, la densité augmente dans le collecteur d'admission, et la température de fin compression est plus basse. Cela permet d'abaisser nettement les taux de NOx (jusqu'à 20%)



Les débitmètres d'air massique.
Le calculateur doit connaitre à tout moment avec précision la masse de gaz d'échappement recyclé. C'est le rôle du débitmètre d'air massique qui mesure la masse d'air admise dans le moteur. C'est une mesure par défaut, car lorsque des gaz d'échappement sont introduits dans l'admission, c'est autant d'air frais qui n'est pas admis dans le cylindre.
Les constructeurs utilisent 2 types de débitmètres d'air massique :
1. Le débitmètre d'air massique à signal analogique :
Equipé d'un film chauffant (alimenté en 12 volts) le débitmètre mesure le débit de l'air qui le traverse par la chute de température de cet élément chauffant. Une électronique d'évaluation intégrée transforme cette mesure en un signal compris entre 0 et 5volts.



2. Le débitmètre d'air massique à signal fréquentiel :





Ce débitmètre fonctionne de la même manière que le précédent, cependant l'électronique d'évaluation fournie au calculateur un signal de fréquence variable (ex : de 13000hz à 1000hz). Cela permet d'avoir un signal plus précis, ainsi qu'une mesure du flux et du reflux de l'air admis.


La sonde à oxygène large bande:
Avec la séverisation des normes anti-pollution, certains constructeurs utilisent sur leur moteur diesel une sonde à oxygène. Cette sonde permet de connaitre l'oxygène résiduel dans l'échappement après la combustion, et permet au calculateur d'ajuster encore plus précisément la quantité de gaz à recycler.


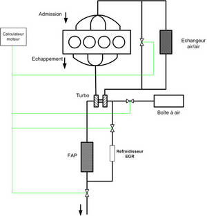
Le système EGR basse pression consiste à réintroduire des gaz d'échappement à l'admission du moteur. La différence avec un système conventionnel est que les gaz d'échappement sont prélevés en aval du filtre à particules et donc dépourvus de suies.
Tout cela dans le but de réduire les émissions d'oxydes d'azote.
La norme Euro 6 annonce une réduction d'émission des oxydes d'azote de l'ordre de 80%. Les systèmes EGR classiques ne permettent pas de réduire suffisamment ces émissions de NOx.
Système EGR classique :


Dans le système EGR à basse pression, les gaz d'échappement sont prélevés derrière le filtre à particules et réinsérés devant le compresseur. Jusqu'à présent, cette méthode n'était pas praticable en raison des températures élevées et des résidus contenus dans les gaz d'échappement. Le perfectionnement de turbocompresseurs dotés de turbines à géométrie variable permet de résister aux sollicitations thermiques les plus élevées. Grâce à de nouvelles roues de compresseur recouvertes d'un revêtement spécial, le système résiste parfaitement aux températures des gaz d'échappement recyclés ainsi qu'aux endommagements par les dépôts.



Description du système EGR fermé


Dans ce cas l'admission d'air se fait comme sur un système classique.
 
Description du système EGR ouvert


Dans ce cas, l'admission d'air est faite en partie d'air frais et de gaz d'échappement refroidis. La longueur de la canalisation EGR permet un abaissement significatif de la température des gaz.
En revanche, le refroidissement des gaz EGR a en effet pour conséquence de générer par condensation la formation d'eau liquide qui est donc introduite en entrée turbo. Cette eau occasionne alors, par impact sur la roue compresseur, de l'érosion / corrosion qui à terme peut conduire jusqu'à la destruction de l'étage compresseur.
Il faut par conséquent adapter un Turbo spécial « EGR à basse pression »

Les avantages d'un tel système sont que les gaz réintroduits sont propres et bien refroidis.


Cela permet d'augmenter le volume de gaz recyclés.
En revanche les gaz contiennent de l'eau et l'adaptation d'un turbo spécifique est indispensable.La roue de compresseur reçoit un revêtement spécifique.



De plus, lors de demandes de fortes charges, un certain temps s'écoule avant la montée en régime car il faut purger la conduite d'admission par de l'air frais uniquement.
Afin d'assurer le recyclage, un volet est placé sur l'échappement:


La cartographie permet de mixer le recyclage entre les deux vannes.






Diffusion sur le marché

EGR Haute pression (classique): tous les moteurs diesel en sont équipés.

EGR Basse pression : cette solution de dépollution est employée par différents constructeurs exemples :

  • Renault
  • VW
  • Honda
  • Mercedes
Constructeurs concernés

Tous les constructeurs automobiles commercialisant des véhicules diesel en Europe, Etats-Unis et Japon.

Innovation engendrant des entretiens Non
Innovation engendrant des réparations Oui
Types de réparations
  • Diagnostic
  • Contrôle
  • Nettoyage
  • Remplacement de pièces.
  • Adaptation des vannes EGR
Dispositif législatif en rapport avec l'innovation

A partir de la norme antipollution européenne Euro II (1996). instruction technique de l'OTC IT F8.

Contrôle technique

Le dispositif EGR est un dispositif qui est largement susceptible de provoquer une forte augmentation des fumées d'un véhicule diesel, et ce bien entendu, lorsqu'un dysfonctionnement apparait.



Une telle anomalie peut parfois aller jusqu'à la prescription d'une contre-visite pour "Opacité : l'opacité dépasse la valeur de réception ou les mesures sont instables".

Mots-clés

Recyclage des gaz d'échappement, EGR, RGE, AGR, dépollution, normes , Oxydes d'azote, NOx, polluant


Méthodes et pratiques

Les interventions les plus fréquentes sur les dispositifs EGR son :

  • Le remplacement des débitmètres d'air massique


Le débitmètre d'air permet au calculateur, de déterminer la quantité d'air aspirée par le moteur. Si cette information est erronée, le calculateur ne peut plus commander la vanne EGR de façon optimal. Le remplacement d'un débitmètre peut donc être nécessaire pour le bon fonctionnement du système EGR.

  • Le démontage des collecteurs d'admission et leur nettoyage.


La vanne EGR permet de réintroduire une partie des gaz d'échappement dans le conduit d'admission. Ces gaz contiennent des suis qui au fur et à mesure encrasse les conduit d'admission.  La section de passage est réduite de moitié et parfois plus, le moteur manque cruellement d'air.


Un démontage du collecteur d'admission est nécessaire pour effectuer son nettoyage.
Certain équipementiers proposent des solution de nettoyage sans démontage. Cette solution consiste à pulvériser dans le conduit d'admission un produit qui permet de dissoudre la calamine, cela nécessite une machine de nettoyage et de procédures de mise en oeuvre spécifique. Ce type de nettoyage peut durer de 1H30 à 2H.

  • Le remplacement des vannes EGR (pneumatiques et électromécaniques)




Descriptif de la réparation :

Avec les montages utilisant des vannes pneumatiques, il est indispensable de contrôler avec un manomètre l'évolution de la dépression de commande sur la vanne EGR. Si la dépression disparait sur un coup de gaz (fermeture de la vanne EGR) cela signifie que le dispositif fonctionne correctement.
Dans le cas contraire, il faut contrôler le branchement des tuyaux de dépression, le fonctionnement électro pneumatique de l'électrovanne EGR et le signal du débitmètre d'air massique (avec un voltmètre et une valise de diagnostic en mesure paramètre).

Avec les vannes électromécaniques, il faut contrôler le signal du potentiomètre de position intégré. Si le signal évolue sur un coup de gaz (déplacement de la soupape EGR) cela signifie que le dispositif fonctionne correctement.
Dans le cas contraire, il faut contrôler électriquement l'électrovanne (résistance, alimentation et commande RCO) et la remplacer le cas échéant.

Nota : Après le remplacement de ces vannes, il est nécessaire d'effectuer à l'aide de la valise de diagnostic une adaptation de la vanne. Cette opération consiste à renseigner le calculateur sur les positions butées (mini et maxi) de la soupape EGR. Si cela n'est pas effectué, le témoin de diagnostic peut s'allumer au tableau de bord.
Après le remplacement des débitmètres d'air massique, il est important de contrôler (en charge réelle sur un parcours routier) la masse d'air maxi aspirée par le moteur. Si cette valeur est insuffisante (voir données constructeurs) il faut s'assurer que les conduits d'admissions ne sont pas partiellement obturés par des suies d'échappement (mélange de vapeur d'huile et de gaz d'échappement recyclé). Dans ce cas, il faut déposer les collecteurs d'admission pour les nettoyer.

Entreprises concernées aujourd'hui Véhicules industriels, Spécialistes, MRA, RA2, RA1
Métiers concernés Encadrement d'atelier, Mécanicien technicien VI-VU, Mécanicien-Technicien Auto

Impact sur les compétences en atelier

  • Connaitre le fonctionnement de la régulation de l'EGR
  • Connaitre la relation entre débit d'air et taux D'EGR
  • Connaitre le fonctionnement d'un débitmètre d'air
  • Savoir lire le schéma électrique et la documentation technique 
  • Savoir utiliser un outil de diagnostic
  • Savoir utiliser un multimètre et un oscilloscope
  • Savoir utiliser une pompe à pression/dépression

Exemple d’outillage approprié

  • Valises de diagnostic constructeur ou multimarques.
  • Pompe à pression/dépression équipée d'un manomètre.
  • Multimètre
  • oscilloscope
  • station de nettoyage admission


À lire aussi dans la même section

La bougie de préchauffages à capteur de pression intégré

La bougie de préchauffage est un élément participant, au bon démarrage du moteur diesel.

Elle peut aujourd'hui être dotée d'un capteur de pression qui permet d'améliorer le rendement du moteur.

 

Diesel Système de dépollution Pièce

La bougie de préchauffages DuraSpeed

Cette bougie de préchauffage permet un démarrage plus rapide, et un fonctionnement plus silencieux et plus propre du moteur diesel dans les phases de démarrage à froid et de montée en température.

Diesel Système de dépollution Pièce

Impact de la transition énergétique sur nos modes de motorisation

La pollution atmosphérique est l'affaire de tous. La transition écologique est présente au quotidien dans bien des domaines : habitat, gestion des déchets, transport, Energie etc.

La mobilité, et...

Diesel Règlementation Règlementation

Les systèmes de dépollution des VI répondant à la norme Euro 6

Les systèmes de dépollution permettent aux véhicules d'être plus propres, c'est un critère d'achat pour certains clients et une obligation des constructeurs afin de respecter des normes de dépollution...

Diesel Véhicules industriels Règlementation