Innovation créatrice de nouvelles compétences
Oui
Innovation génératrice de nouvelles activités
Oui
Phase de développement de l'innovation
Commercialisé depuis plusieurs années

Date de création
Date de mise à jour

En bref

Apparu chez Audi depuis quelques années, cet équipement optionnel qui alimente en énergie la ventilation du véhicule sert à aérer l'habitacle.

À la clé, une réduction de la montée en température de l'habitacle. En effet, après une longue période de stationnement, l'atmosphère à l'intérieur du véhicule est surchauffée, au démarrage la climatisation est fortement sollicitée, ce qui entraîne pollution et consommation excessive.



Installés sur le toit du véhicule, intégrés dans le pavillon ou au toit ouvrant, les panneaux photovoltaïques, d'une puissance de 25 à 50 watts, servent uniquement à alimenter le pulseur d'air habitacle.

Innovation créatrice de nouvelles compétences
Oui
Innovation génératrice de nouvelles activités
Oui
Phase de développement de l'innovation
Commercialisé depuis plusieurs années

Date de création
Date de mise à jour

Description détaillée

Géré automatiquement ou à l'initiative du conducteur, le toit solaire permet de gagner 20°C, ramenant l'intérieur du véhicule à des températures proches des 45°C (en pleine exposition la température intérieure peut s'élever jusqu'à 60°C ou même 70°C).

Cette option est proposée sur les modèles AUDI A4, A6 & A8, chez SEAT avec Exeo, LANCIA Thesis, et TOYOTA Prius 3 et se facture aux alentours des 1500 €.





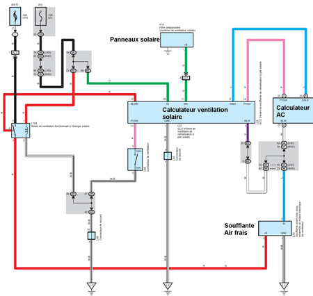
Système de « toit solaire » des véhicules du groupe VAG


Les panneaux photovoltaïques installés à la place de la vitre du toit ouvrant produisent en permanence, à partir du rayonnement solaire, du courant continu. Celui-ci alimente en permanence la soufflante d'air, dont la vitesse de rotation est directement proportionnelle à la puissance fournie par les panneaux, et donc à leurs taux d'exposition.
La soufflante d'air frais intègre un calculateur de commande spécifique qui lui permet de remplir sa fonction habituelle de pulseur d'air frais asservi au calculateur de climatisation automatique. Mais il possède également une entrée séparée qui, contact coupé, gère l'énergie fournie par le toit solaire.

Les conditions nécessaires au fonctionnement du système sont :

  • Contact coupé.
  • Toit ouvrant fermé ou en position relevée.
  • Toit exposé au soleil.









Système « ventilation solaire » de TOYOTA

Avec la sortie de la Prius 3 en 2010, Toyota propose à ses clients un système de ventilation fonctionnant à l'énergie solaire.

Le panneau est ici intégré au pavillon à l'arrière du toit ouvrant. Le toit solaire est composé au total de 36 cellules photovoltaïques disposées en matrice de 6 x 6 colonnes. Chaque cellule a une taille de 15 x 15 cm, ce qui correspond à la moitié d'une taille standard. Les cellules solaires polycristallines sont fabriquées par la firme japonaise Kyocera.







Selon Toyota, la puissance maximum en sortie est de 53 W, dans les conditions d'ensoleillement maximum. (Quantité d‘exposition : 1 000 W/m2, température des cellules solaires : 35 °C).

Le module solaire génère une alimentation électrique qu'il fournit à un calculateur de ventilation solaire et au moteur de soufflante.

Le système peut être activé ou non grâce à un bouton sur la planche de bord.

Les conditions nécessaires au fonctionnement du système sont :

  • Contact coupé.
  • Contacteur de ventilation solaire enclenché.
  • Environ 10 minutes se sont écoulées depuis la coupure du contact, afin de conserver la fraîcheur fournie par la climatisation avant l'arrêt du véhicule.
  • Un seuil d'ensoleillement et une température extérieure supérieure aux valeurs prédéterminées.



Comme pour VAG, les moteurs des volets du bloc de climatisation sont pilotés à la coupure du contact. Ils sont commutés sur « Air extérieur » et sur le mode « Face ».

Quelques compléments techniques:


Deux stratégies de fonctionnement

VAG :

En ce qui concerne le toit solaire proposé sur les modèles du groupe Volkswagen, le fonctionnement est automatique. Un codage doit malgré tout être effectué avec l'appareil de diagnostic VAS5051. Il s'agit de paramétrer l'appareil de commande de climatisation (E87) avec l'option « Toit coulissant à piles solaires ». Les possesseurs d'AUDI A8 peuvent également paramétrer cette fonction via l'interface multimédia (MMI), la fonction « Mode solaire » doit être activée.
Afin de permettre la ventilation de l'habitacle en mode « Énergie solaire », il est nécessaire que les volets du bloc climatisation se trouvent en position « Air frais » et non en position « Air recyclé » dès la coupure du contact. Le calculateur de climatisation est ainsi codé avec cette option « Toit solaire » pour remplir cette fonction.
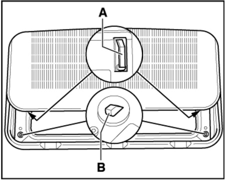
L'énergie solaire est convertie en énergie électrique par le toit à piles solaires et transmise au système électrique véhicule par le biais des contacts entre le bord avant du toit coulissant(A) et le cadre(B).



source VAG
En conséquence, le mode "Énergie solaire" est utilisable uniquement lorsque le toit ouvrant est en position « fermé » ou « entrebâillé ».

TOYOTA :

Afin d'éviter toute fuite d'air froid à l'extérieur de l'habitacle dès que le véhicule est stationné, le système démarre la ventilation environ 10 minutes après avoir coupé le contact.
Pendant le fonctionnement, la vitesse du moteur de la soufflante est fonction des conditions de génération d'alimentation du module solaire.
Afin d'obtenir une ventilation plus efficace, l'amplificateur A/C commute la position d'entrée de l'air sur le mode « Frais » et la position de sortie de l'air sur le mode « Face » environ 1 minute après avoir coupé le contact, à condition que le contacteur de ventilation solaire soit placé sur « On » avant la coupure du contact. Si la mise en marche de la ventilation solaire est demandée après la coupure du contact, les volets d'entrée et de sortie d'air restent inchangés.
Le calculateur de ventilation solaire démarre la soufflante environ 10 minutes après coupure du contact.


source Toyota





Le câblage électrique

Toyota







source Toyota



Le système de ventilation fonctionnant à l'énergie solaire et le système de climatisation utilisent le même moteur de soufflante pour la ventilation. Afin d'être entraîné par chaque système, le moteur de soufflante commute entre deux sources d'alimentation électrique différentes à l'aide du relais de ventilation solaire. Lorsque le contact est coupé, l'alimentation du système de ventilation est fournie au moteur de soufflante par les panneaux solaires.
Le moteur de soufflante commande son fonctionnement et sa vitesse à l'aide de l'alimentation électrique et des signaux transmis par le calculateur de ventilation solaire. Le moteur de soufflante modifie sa vitesse en fonction de la quantité de lumière du soleil reçue par le panneau solaire.




source Toyota

Audi A8




source VAG




Audi A4





source VAG

Le contrôle du toit à pile solaire

L'énergie électrique délivrée par le toit à piles solaires VAG est de l'ordre de 24 W pour un rayonnement solaire de 1000 W/m2, alors que celui de Toyota est de 53 W.

Le panneau TOYOTA doit fournir une tension à vide comprise entre 8 et 25 volts selon l'intensité du rayonnement solaire.
Afin de donner un ordre de grandeur du rendement et des conditions d'ensoleillement, voici les résultats d'un test réalisé par mauvais temps :
L'éclairage du toit solaire a été réalisé avec  deux projecteurs halogènes de 1000 W placés à 50 cm minimum du toit. Dans ces conditions, le toit solaire ne produit que 1,5 W : en effet les longueurs d'onde de la lumière naturelle sont différentes de la longueur d'onde de l'ampoule halogène, en conséquence le rendement des cellules photovoltaïques chute, et la puissance fournie également.


En résumé, en cas d'exposition favorable à la lumière du soleil, on obtient environ 22 V pour 3,6 A max.

Chez VAG, les cellules solaires du toit solaire doivent générer une tension supérieure à 12,3 volts environ (tension à vide) afin que le courant puisse être transmis du calculateur de soufflante d'air frais -J126-.
Lorsque le -J126- a détecté une fois une tension supérieure à 12,3 V environ, la soufflante d'air frais -V2- est activée tant que la tension délivrée par les cellules solaires reste supérieure à environ 2 volts.

Pour ces deux systèmes :

Avant de débrancher le connecteur de l'ensemble de vitre de toit ouvrant (panneau solaire), veiller à couvrir tout l'ensemble panneau solaire avec un matériau d'étanchéité comme du tissu épais qui bloquera les rayons du soleil.



Pour aller plus loin

D'autres applications sont prévues pour les panneaux solaires sur les véhicules : en effet le pavillon d'une automobile, plat et souvent exposé au soleil, se prête fort bien à l'implantation de ce genre d'équipement.
Plusieurs constructeurs travaillent à des systèmes de recharge des batteries de traction pour leurs véhicules électriques.


 ·         Venturi avec l'Astrolab et l'Eclectic pour venir ajouter respectivement 21 et 7 km d'autonomie grâce au solaire.
·         MATRA avec la gamme GEM : le « Matra Solar Roof » (MSR) recharge jusqu'à 15 kW par jour grâce à ses cellules polycristallines et, selon l'exposition, fournit 5 à 15 km d'autonomie.








Une start-up néerlandaise "Lightyear" aurait mis au point une voiture solaire à recharge automatique et panneaux solaires, la "Lighyear one". Son autonomie serait de 400 à 800 km. 10 modèles seraient conçus en 2019 et 100 en 2020.

Diffusion sur le marché

Très peu diffusé sur le marché, seul quelques modèles haut de gamme ou hybrides ou électriques sont équipés.

Constructeurs concernés

On notera surtout, le groupe VAG, Nissan, Toyota, Lancia.

Innovation engendrant des entretiens Oui
Innovation engendrant des réparations Oui
Dispositif législatif en rapport avec l'innovation

Pas spécifique

Contrôle technique

Les toits solaires n'entrent pas dans le champ d'application du contrôle technique si ce n'est au travers de leur participation à l'ensemble de la carrosserie. A ce titre, ils sont soumis aux même remarques éventuelles en terme de risque de décrochage, de fixation ou d'endommagement.

Mots-clés

Toit solaire ; solar roof ; ventilation solaire


Méthodes et pratiques

Nettoyage :
Nettoyage de la surface des panneaux solaires.

Un mauvais fonctionnement du système de toit solaire peut être lié à la propreté de la vitre protectrice des cellules photovoltaïques. On estime qu'un panneau solaire avec une surface détériorée subit une perte de rendement de 20% à 30%.


Maintenance :



  • Interrogation du calculateur concerné par la fonction toit solaire.
  • Contrôle de la tension de sortie des cellules photovoltaïques.
  • Contrôle de l'efficacité du dispositif (volume d'air pulsé).
  • Remplacement de divers éléments.


Méthode AUDI pour la mesure de la tension de sortie du toit solaire de l'A8:



Débrancher la fiche -A- du calculateur de soufflante d'air frais -J126-.


Mesurer la tension appliquée au niveau de la fiche -A- entre le contact -2- (du toit ouvrant solaire) et le contact -4- (masse).


Valeur assignée : supérieure à 12,3 V = (selon l'intensité du rayonnement solaire)


Brancher une lampe-témoin (12 V, 5 W maxi) entre les contacts -2- et -4- de la fiche -A-.


La lampe-témoin luit faiblement ou s'allume (en fonction de l'intensité du rayonnement solaire).





source VAG




Liste des télécodages du boîtier E87_Calculateur climatronic



  • Variante de véhicule : Berline, break Avant ou Coupé Cabriolet
  • Dégivrage de pare-brise : Non monté ou Monté


Toit coulissant à piles solaires : Non monté ou Monté



Pour Toyota :


Vérification du fonctionnement



  • S'assurer que la valeur de tension solaire dans la Data List est de 10 V minimum.
  • Mettre le contacteur de ventilation solaire en position ON.
  • Mettre le contacteur d'alimentation en position OFF.
  • S'assurer que le moteur de soufflante fonctionne 10 minutes après avoir mis le contacteur d'alimentation en position OFF.



source Toyota

Avec l'outil de diagnostic, lecture des paramètres :


Body / Air Conditioner / Data List.




source Toyota





Avec l'outil de diagnostic, test actionneurs :


Test de la soufflante d'air frais





source Toyota

Entreprises concernées aujourd'hui Carrosserie / Peinture, MRA, RA2, RA1
Métiers concernés Carrossier et Peintre, Mécanicien-Technicien Auto

Impact sur les compétences en atelier

Les personnels doivent être en mesure de:

Techniciens
:

  • Remplacer et régler un toit ouvrant/coulissant solaire.
  • Connaître les procédures de configuration et de paramétrage.
  • Tester, initialiser et installer des ECU, capteurs et actionneurs.
  • Maîtriser la lecture des schémas électriques.
  • Maîtriser toutes les fonctions de l'outil de diagnostic.


Carrosserie :

  • Remplacer et régler un toit ouvrant/coulissant solaire.


Peinture :



  • respecter les précautions d'interventions lors du passage en cabine (chauffage et rayonnement).





Exemple d’outillage approprié

Outil de diagnostic



À lire aussi dans la même section

Nouveau

Véhicule MUX

Les "Software Defined Vehicles" (SDV)

Le secteur automobile vit une transition sans précédent : le passage d’une logique mécanique et matérielle à une logique centrée sur le logiciel

Nous allons donc vers une logique de développement qui...

Systèmes embarqués Systèmes à gestion électronique Système

Les Ethylotests Anti-démarrage

L'utilisation des Ethylotest Antidémarrage (EAD) dans le cadre du Transport en Commun de Personne, ou dans le cadre de la loi LOPPSI 2 d'Orientation et de Programmation pour la Performance de la...

Systèmes embarqués Systèmes à gestion électronique Pièce

Les commandes vocales

Les commandes vocales se généralisent : avec la connectivité, le monde du « sans contact », et les perfectionnements des processeurs, plusieurs systèmes plus ou moins aboutis sont sur le marché.



Bien...

Systèmes embarqués Systèmes à gestion électronique Système

Ecrans tactiles

La simplicité d'utilisation a rendu la technologie des écrans tactiles populaire auprès du grand public, jusqu'à devenir presque incontournable. À tel point que, dans les véhicules, on les trouve pour...

Systèmes embarqués Systèmes à gestion électronique Pièce