Innovation créatrice de nouvelles compétences
Oui
Innovation génératrice de nouvelles activités
Oui
Phase de développement de l'innovation
Commercialisé depuis plusieurs années

Date de création
Date de mise à jour

En bref

Système électronique de commande de boîte de vitesses qui permet de gérer le passage des rapports et de piloter électroniquement l'embrayage.

La boîte de vitesses robotisée est une alternative moins onéreuse par rapport à la boîte de vitesses automatique. Comme cette dernière, deux types d'utilisation sont possibles :



Le mode automatique et le mode manuel.



Ce système est particulièrement adapté à des véhicules munis de motorisations de faible cylindrée et ne pouvant pas recevoir de boîte automatique.

De plus, certains constructeurs proposent une commande au volant. Le principe est le même qu'en formule 1, le conducteur passe les rapports par une simple sollicitation de palettes situées au niveau du volant.

L'objectif est de rendre la conduite urbaine plus confortable et moins fatigante, en réduisant les sollicitations du conducteur :

  • pas de pédale d'embrayage à actionner
  • en mode « auto », pas de manipulation du levier de vitesse
Innovation créatrice de nouvelles compétences
Oui
Innovation génératrice de nouvelles activités
Oui
Phase de développement de l'innovation
Commercialisé depuis plusieurs années

Date de création
Date de mise à jour

Description détaillée

Système électronique de commande de boîte de vitesses qui permet de gérer le passage des rapports et de piloter électroniquement l'embrayage. Les principaux fabricants qui fournissent les constructeurs sont : Sachs, LUK, Magneti Marelli et Daimler Chrysler.

 


 
Le système de commande de boîte robotisée est composé :


D'un actionneur d'embrayage qui peut être :



  • Mécanique, entraîné par un moteur électrique.
  • Hydraulique à l'aide d'un vérin ou d'un piston commandé par une électrovanne.



D'un actionneur de passage de vitesses qui peut être :



  • Mécanique ; entraîné par deux moteurs électriques (un pour la sélection et un pour l'engagement)
  • Hydraulique ; avec un ou plusieurs vérins commandé(s) par électrovanne(s). Dans tous les cas, quelle que soit la technologie retenue, il faudra deux mouvements (un pour la sélection et un pour l'engagement).



D'un circuit électrique comprenant les éléments suivants :



  • La batterie
  • Le calculateur de gestion électronique qui reçoit les informations de ses différents capteurs et des autres calculateurs du véhicule. Grâce à ces informations, il pilote les différents actionneurs.



Les capteurs et contacteurs :



  • Le capteur de position de sélection de rapport
  • Le capteur de position d'engagement de rapport
  • Le capteur de position d'embrayage
  • Le capteur de vitesse d'entrée de boîte de vitesses (arbre primaire)
  • Le contacteur de levier de sélection
  • Le contacteur de commande au volant si le véhicule en est équipé
  • Le contacteur de frein de parking
  • Le contacteur de frein
  • Le contacteur d'ouverture de porte
  • Le contacteur de mode auto



Les actionneurs



  • L'actionneur de sélection de vitesses
  • L'actionneur de passage de vitesses
  • L'actionneur d'embrayage
  • L'affichage au combiné



Les informations qu'il reçoit



  • L'information vitesse véhicule du calculateur ABS
  • L'information régime et couple moteur du calculateur moteur



Les informations qu'il envoie



  • L'information autorisation de démarrage
  • L'information changement de rapport au calculateur moteur pour la gestion du régime moteur



Les actionneurs d'embrayage.
Il existe plusieurs types d'actionneurs :

  • Mécanique entraîné par un moteur électrique.




Un moteur pas à pas actionne une tige de poussée. Cette dernière commande la butée d'embrayage par l'intermédiaire d'une fourchette.


  • Hydraulique à l'aide d'un vérin ou d'un piston commandé par une électrovanne.






Une pompe génère la pression hydraulique, une électrovanne proportionnelle pilote un vérin incorporé à la butée d'embrayage.






Si le vérin n'est pas incorporé à la butée, celui-ci actionnera directement la fourchette d'embrayage.



Les actionneurs de passage de rapport.

Pour passer un rapport, deux mouvements sont nécessaires : la sélection et l'engagement. Plusieurs solutions ont été retenues : soit des actionneurs qui combinent les 2 mouvements, soit 1 actionneur par mouvement. Dans les deux cas les actionneurs peuvent être électromécanique ou hydraulique :





  • L'actionneur mécanique, entraîné par un moteur électrique :



(Ci-dessus) Exemple de montage sur système Sachs (C3 ou 1007) : 1 moteur électrique pour la sélection (le petit) et 1 moteur pour l'engagement (le plus gros), la particularité de ce système est que les capteurs de passage de vitesse sont intégrés aux actionneurs.


  • L'actionneur hydraulique, commandé par des électrovannes






(Ci-dessus) Exemple de montage sur BMW  Système SSG : ce système est similaire au système shiftmatic du VW Crafter et à celui de la Citroën C4.



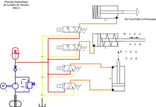
Exemple d'un système hydraulique complet :





Légende :


  1. Réservoir
  2. Pompe électrique
  3. Régulateur de pression
  4. Clapet anti retour
  5. Accumulateur de pression
  6. Electrovannes de commande de vérin d'engagement
  7. Electrovannes de commande de vérin d'engagement
  8. Electrovanne de commande de vérin de sélection
  9. Electrovanne de commande de vérin d'embrayage
  10. Vérin d'embrayage
  11. Vérin de sélection
  12. Vérin d'engagement


En résumé, il y a beaucoup de solutions technologiques différentes aussi bien dans les systèmes mécaniques que dans les systèmes hydrauliques.





Quelques exemples :


Chez PSA trois systèmes différents sur C3, C2, 1007, 207, 208 avec un système Sachs électromécanique, sur C1,107  et 108 avec un système Toyota électromécanique et enfin C4, 3008, 308,  5008... avec un système hydraulique de Magneti Marelli.

Chez BMW deux systèmes différents,  le SMG avec des vérins de passage et des capteurs de position, le SSG avec un seul vérin pour le passage qui combine les mouvements engagement et sélection (système identique à celui de la Citroën C4).

Chez Renault un système hydraulique avec des vérins de passage mais avec des butées déplaçables pour obtenir les positions de sélection.

Chez VW trois systèmes différents, un identique à la Citroën C4 ou SMG de BMW sur le Crafter, un autre sur la Lupo 3l avec des positionneurs à pistons et enfin le système DSG à double embrayage multidisques hydraulique sur la Golf R32 au AUDI TT.


Diffusion sur le marché

Ce type de transmission se retrouve sur des véhicules de type citadins ou de gammes moyennes. Aujourd'hui, par exemple sur Peugeot 3008 ou 5008 ces boites de vitesses ont été abandonnées au profit d'une boite de vitesses automatique.

Constructeurs concernés

BMW, Audi, VW, Renault, Peugeot, Citroën, Alfa Roméo, Opel, Mazda....

Innovation engendrant des entretiens Oui
Innovation engendrant des réparations Oui
Types de réparations

Diag/Contrôle changement de pièces.



 Diagnostic/contrôles.

 Remplacement des éléments défectueux  

 Remise en état des faisceaux et des connectiques

 Paramétrage et réglage éventuel du système et des capteurs.

Entretien periodique (Niveau,vidange, filtre...)

Dispositif législatif en rapport avec l'innovation

Instruction technique de l'OTC IT F6.

Contrôle technique

Les contrôleurs techniques ont pour instruction de considérer une boîte robotisée comme une boîte mécanique traditionnelle et non pas comme une boîte automatique.

En effet, les véhicules équipés de véritables boîtes automatiques bénéficient de méthodologies de contrôle moins contraignantes destinées à les préserver de tout incident en cours de contrôle, ce qui n'est pas le cas des véhicules équipés de boîte robotisée dont la méthodologie de contrôle sera la même que pour tout autre véhicule lambda.

Signalons également que depuis le 20 mai 2018 le fonctionnement du levier de vitesse doit être contrôlé au titre des commandes de conduites.

Mots-clés

BVR, DSG, SMG, Quick shift, schiftmatic…


Méthodes et pratiques

Les interventions les plus fréquentes sur les systèmes de boîtes robotisées sont :

  • L'entretien périodique (vidange)


Il n'y a pas de particularité par rapport à une boîte de vitesses classique

  • La réparation et le diagnostic des capteurs ou actionneurs défectueux


  • La réparation et le diagnostic du faisceau électrique (coupé ou en court circuit).


Descriptif de la réparation :

  • Système de gestion électronique: diagnostic, contrôle et remplacement des capteurs et actionneurs qui composent les systèmes.
  • Actionneurs de passage de vitesses et d'embrayage: diagnostic, contrôle, remplacement.
    Pour le système de gestion électronique, les opérations de contrôles consistent à vérifier électriquement (alimentation en tension, résistance, isolement et signal) tous les capteurs et les actionneurs à l'aide d'une valise de diagnostic (lecture défaut, mesure paramètres et test actionneurs), d'un multimètre et d'un oscilloscope.
    Lorsque les valeurs relevées ne correspondent pas aux données du constructeur, la pièce défaillante est remplacée.

  • Dépose et repose de boîte de vitesses

  • Dépose et repose d'embrayage
    Après chaque intervention sur les actionneurs, il est impératif de faire les apprentissages et les réglages, à l'aide de l'outil diagnostic.
Entreprises concernées aujourd'hui Centres auto, Spécialistes, MRA, RA2, RA1
Métiers concernés Mécanicien-Technicien Auto

Impact sur les compétences en atelier

Pour les RA1, RA2, MRA les modes opératoires pour le diagnostic doivent être adaptés aux systèmes de commande de boîtes robotisées (mesures hydrauliques sur une pompe HP, reparamétrage des actionneurs avec une valise de diagnostic, etc…)
Bien que ce système ne soit pas encore très répandu, l'impact sur des opérations de réparations de boîtes de vitesses ou de remplacement d'embrayage est important. Il est aujourd'hui nécessaire de mettre en sécurité le système avant tout démontage. Cette opération doit être réalisée à l'aide de l'outil de diagnostic. Lorsque l'opération de réparation ou de remplacement est effectuée, il faudra remettre le système en ordre de marche également avec l'outil de diagnostic.

En effet, l'outil de diagnostic devient indispensable pour effectuer les apprentissages et les réglages sur la commande.


En synthèse, pour les techniciens, il doivent:



  • connaître la structure des réseaux multiplexés
  • connaître les protocoles et leurs modes dégradés
  • maîtriser la lecture des schémas électriques.
  • maîtriser toutes les fonctions de l'outil de diagnostic.
  • maîtriser toutes les fonctions de l'oscilloscope et du multimètre
  • connaître les procédures de configuration et de paramétrage.
  • avoir des notions du  fonctionnement des capteurs et actionneurs.



Pour les non techniciens:



  • connaître les procédures de configuration et de paramétrage.
  • avoir des notions du  fonctionnement des capteurs et actionneurs du système
  • Connaitre les fonctions "entretiens" de la  boite de vitesses dans l'outil de diagnostic.

Exemple d’outillage approprié

Outil de diagnostic : Constructeur ou multimarques
Documentation technique, multimètre, oscilloscope.



À lire aussi dans la même section

Nouveau Focus

Boite de vitesse sur Renault Hybride

Le panorama des boites de vitesses des véhicules électriques et hybrides

En général, il faut distinguer deux familles de boites de vitesses en fonction du véhicule: 

  • Sur les véhicules électriques, il s’agira de monter un réducteur en sortie du moteur électrique pour réduire...

Mécanique Transmission Système

Mis à jour

Boite de vitesses électrifiée DB0

La boite de vitesses électrifiée DB0 des véhicules hybrides

L’hybridation d’un véhicule consiste à associer un groupe motopropulseur thermique avec un système électrique comprenant un ou plusieurs moteurs-générateurs.

L'idée générale de l'hybridation est de...

Mécanique Transmission Système

La boite de vitesses connectée au GPS

La boite de vitesses "connectée" est en réalité une boite de vitesses automatique avec un programme de pilotage qui tient compte de données de navigation.

Ces données proviennent du GPS et permettent...

Mécanique Transmission Système

La boite de vitesses à double embrayage sec

Aujourd'hui l'offre en boîte de vitesses à double embrayage est de plus en plus grande. Le passage des rapports se fait de façon automatisé. Comme sur une boîte automatique, il n'y a pas de pédale d...

Mécanique Transmission Système